165 kW (225 ch) : Puissance au vilebrequin selon norme ISO 8665.
Moteur inbord pour bateau de plaisance, voilier.
Autres informations : D4-180, D4-260, D4-270, D4-300, Brochure PDF, Exemple en vidéo.
Information importante : ce moteur n'est plus commercialisé neuf, il a été remplacé par le Volvo Penta D4-230. Les pièces détachées sont toujours disponibles chez DB Moteurs (contactez-nous pour toute demande).
Acheter un D4-225 Entretenir mon D4-225 Recherche de pièces D4-225 Galerie photos D4-225 Autres informations
Vous voulez (re)motoriser votre bateau ?
Consultez le Tarif Public 2023 des moteurs Volvo Penta et contactez-nous
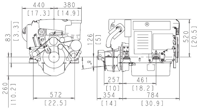
Le moteur 4 cylindres D4-225 de Volvo Penta a été développé en bénéficiant des tous derniers concepts de la technologie diesel moderne.
Il est doté d’un système d’injection directe à rampe commune avec deux arbres à cames en tête, 4 soupapes par cylindre, turbo compresseur et échangeur de température. Grâce au grand volume d’air balayé et au système EVC (Electronic Vessel Control), il atteint de très hautes performances avec de faibles rejets polluants.
Le système d’injection à rampe commune, commandé par l’EVC, et associé à un grand volume balayé permet d’obtenir un couple exceptionnel à l’accélération avec pratiquement pas de fumée. Ceci, associé à la haute capacité en charge du moteur permet de percevoir des sensations de puissance et de réactivité lorsque cela est nécessaire.
De faibles dimensions comparativement à la forte cylindrée et à la puissance élevée qu’il développe. Avec le côté transmission entraînant la pompe d’injection haute pression et les arbres à cames, une très forte intégration des systèmes, un échangeur de température à haut rendement, une marinisation effectuée avec moins de tuyauteries et un agencement parfaitement symétrique, ce moteur s’avère extrêmement compact. Le bloc moteur et la culasse très rigide en fonte, la combiné porte-paliers/arbres d’équilibrage, ainsi que l’injection contrôlée avec précision (jusqu’à 3 phases) permettent d’obtenir un excellent confort à bord avec peu de bruit et de vibrations.
Le système EVC constitue le dernier développement dans le domaine de la gestion moteur et de l’instrumentation des moteurs marins Volvo Penta. Il offre le plus haut degré d’intégration à bord : inversion et accélération électroniques pour une commande en douceur et en toute sécurité, une gamme complète de cadrans faciles à lire, un large affi chage à cristaux liquides système EVC (en option) et d’autres fonctions encore, le tout empruntant un seul réseau CAN.
L’EVC rend la navigation plus sûre et plus facile grâce à la synchronisation de bi-moteurs et de nouvelles fonctions logicielles comme le Volvo Penta Low Speed (en option pour HS63AE/IVE), qui réduit de manière significative la vitesse du bateau au ralenti, simplifiant ainsi les manoeuvres dans les ports étroits. L’EVC peut être programmé pour 4 stations maximum, possibilité d’instrumentation standard jusqu’au système évolué. L’EVC travaille avec le système de gestion du moteur pour vous apporter une puissance constante indépendamment de la température (5 – 55 °C) et de la qualité du gazole. Ce système s’appuie sur les dernières technologies automobiles avec des connecteurs étanches. Il est prêt à l’emploi après branchement.
L’inverseur à commande hydraulique Volvo Penta a été spécialement développé de manière à accroître le niveau de confort à bord.
Adapté aux caractéristiques du moteur D4, le mécanisme d’inversion hydraulique et la pignonerie à taille hélicoïdale adoptés nous ont permis de développer un ensemble pouvant produire un couple élevé, fiable avec un niveau sonore et de vibration plus faible. L’angle d’inclinaison de 8°, la bride de sortie abaissée et les faibles dimensions du moteur le rendent idéal dans de nombreuses applications. Les transmissions en V sont également disponibles. Afin de tirer le meilleur parti du système EVC, l’inverseur comporte une valve d’inversion électrique.
Le système d’injection à rampe commune, associé à l’électronique et à un système de combustion avancé a permis de défi nir de nouveaux critères dans la réduction des reject polluants et des particules. Le moteur est conforme aux normes antipollution IMO NOx, US EPA Tier 2 et EU RCD.



- Bloc-cylindre et culasse en fonte.
- Porte-paliers combiné avec arbres d’équilibrage.
- 4 soupapes par cylindre avec poussoirs hydrauliques.
- Double arbres à cames en tête.
- Pistons refroidis par huile, 2 segments.
- Compression et 1 segment racleur.
- Chemises intégrées.
- Sièges de soupapes remplaçables.
- Vilebrequin en ligne à 5 paliers.
- Transmission à l’arrière.
- Support moteur souple
- Fil tres à huile à passage intégral et à by-pass séparés, facilement remplaçables.
- Refroidisseur d’huile tubulaire à eau de mer.
- Système d’injection à rampe commune.
- Module de commande de traitement de l'injection.
- Filtre fin avec décanteur d’eau et alarme.
- Filtre à air à cartouche remplaçable.
- Gaz du carter ramené dans l’admission.
- Coude d’échappement ou réhausseur.
- Turbocompresseur refroidi par eau douce.
- Circuit d’eau douce à régulation thermostatique.
- Échangeur de température tubulaire avec réservoir de dégazage séparé, de grand volume.
- Circuit préparé pour une sortie d’eau chaude.
- Pompe à turbine d’eau de mer facilement accessible.
- Système électrique bi-polaire 12V.
- Alternateur marin 115A avec dio des zener pour protéger le système des pointes de tension et régulateur de charge intégré avec câble de cap teur de batterie pour utilisation maximum de l’alternateur.
- Fusibles à réarmement automatique.
- Dispositif d’arrêt immédiat.
- Instrumentation complète avec commutateur à clé et alarme d’interverrouillage.
- Tableaux de contrôle EVC pour installation simple ou double.
- Commande à distance électronique d’accélération et d’inversion de marche.
- Connexions de type enfichable.
- Inverseur avec axe abaissé et angle d’inclinaison de 8° pour une installation com pac te et un angle d’arbre d’hélice minimum. Transmission en V disponible.
- Pignons à taille hélicoïdale pour un fonctionnement en douceur à tous les régimes.
- Embrayage à commande hydraulique d’inverseur.
- Inversion électrique assurée par des électrovannes.
- Sous voile, l’arbre d’hélice peut tourner 24 heures sans dé mar rage du moteur.
- Refroidisseur d’huile à eau de mer.
- Low Speed en option (HS63AE/IVE)
Une gamme complète d’accessoires est disponible. Pour de plus amples informations, veuillez-vous reporter au Catalogue d’Accessoires
(www.volvopenta.com).
Kit U.S.C.G./MED (SOLAS) disponible.

Vous voulez (re)motoriser votre bateau ?
Découvrez l'ensemble de la gamme de moteurs Volvo Penta.
Consultez le Tarif Public 2023 des moteurs Volvo Penta et contactez-nous