41 kW (55 ch) puissance au vilebrequin conformément à la norme ISO 8665
Information importante : ce moteur n'est plus commercialisé neuf, il a été remplacé par le Volvo Penta D2-60. Les pièces détachées sont toujours disponibles chez DB Moteurs (contactez-nous pour toute demande).
Vous voulez (re)motoriser votre bateau ?
Découvrez l'ensemble de la gamme de moteurs Volvo Penta.
Consultez le Tarif Public 2023 des moteurs Volvo Penta et contactez-nous
Le moteur marin D2-55 de Volvo Penta délivre 55 ch avec un confort exceptionnel. Les bas régimes permettent une croisière silencieuse et un très faible niveau de vibrations. Les émissions nocives sont extrèmement basses. Ses dimensions très compactes simplifient son installation. L’alternateur de 115A muni d’un régulateur de charge integré fournit une charge rapide pour tous les besoins électriques à bord. Ce moteur établit une nouvelle référence pour le confort à bord.
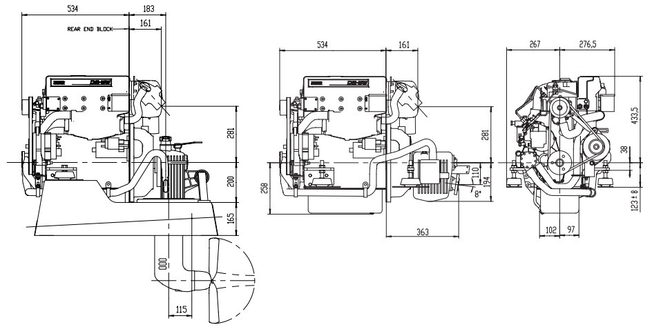
Le D2-55 est un moteur marin d’une conception avancée, construit d’après des composants de haute qualité pour répondre aux demandes des plaisanciers.
Longévité : 
Confort :
Une construction bien équilibrée dynamiquement associée à un volant moteur d’une masse de rotation élevée et une isolation caoutchouc efficace ont permis d’avoir un fonctionnement avec un très faible niveau de vibrations. Le couple élevé du moteur permet d’excellentes capacités de fonctionnement pour manoeuvres, particulièrement lors des approches dans les ports étroits. Une large gamme d’accessoires permet encore d’augmenter le confort à bord.
Capacité de charge :
Le nouvel alternateur 115A avec capteur électronique permet d’employer une capacité plus élevée de batterie et d’avoir toujours des batteries chargées à bord. Même à vitesse réduite, l’alternateur donne plus que 35A, et à vitesse de croisière il livre approx. 100A.
Transmissions :
En option, huit transmissions sont disponibles, toutes étant spécialement étudiées pour un fonctionnement fiable et souple.
Environnement :
Un système élaboré de combustion qui augmente l’efficacité et réduit les niveaux d’émissions nocives, permet de mieux apprécier la navigation. Le moteur est certifié selon BSO, SAV, EU RCD et US EPA.

- Bloc moteur et culasse en fonte de haute qualité. Le carter moteur, de type tunnel, est très rigide.
- Le vilebrequin est forgé avec un revêtement au chrome-molybdène, équilibré statiquement et dynamiquement avec des contrepoids intégrés. Les pistons coulés dans un aluminium à haute teneur en silicium, ont subi un traitement thermique et sont montés avec deux segments de compression chromés et un segment simple racleur d’huile.
- Des sièges de soupapes trempés et pouvant être remplacés.
- Un accouplement flexible sur le volant moteur.
Installation moteur :
- Des silentblocs parfaitement ajustés à l’avant et à l’arrière. Réglables.
Système de lubrification :
- Filtre à huile à flux total de type remplaçable.
- Conduit de jauge à huile distinct.
- Système de ventilation fermé du cartermoteur.
Système d’alimentation :
- Une pompe d’injection montée sur bride, de type en ligne et entraînée par came.
- Une pompe d’alimentation avec un levier d’amorçage.
- Filtre fin à carburant de type remplaçable.
Système d’échappement :
- Un collecteur d’échappement refroidi par eau douce et un coude d’échappement refroidi par eau de mer.
Système de refroidissement :
- Un système de refroidissement à eau douce commandé par thermostat.
- Un échangeur de température tubulaire avec un vase d’expansion intégré.
- Un système de refroidissement préparé pour des sorties d’eau chaude.
- Une pompe à eau de mer et une turbine facilement accessibles.
Système électrique :
- Système électrique 12 V, protégé contre la corrosion.
- Alternateur marin de 115 A.
- Alternateur 24 V en option.
- Régulateur de charge avec capteur électronique pour la compensation de chute de tension.
- Bougies de préchauffage pour un excellent démarrage à froid.
- Démarreur électrique (puissance de sortie 2,0 kW).
- Dispositif d’arrêt à commande électrique.
- Rallonge de faisceau de différentes longueurs avec connecteurs multibroches.
Des instruments EVC :
- Tableau marche / arrêt.
- Tachomètre avec alarmes et compteur horaire.
- Instruments séparés pour : niveau du carburant, température, voltage.
- Affichage à cristaux liquides avec multi-capteur.
- Interface NMEA présentant les données moteur sur des chart plotters.
Choix de transmission :
- HS25A hydraulique – inverseur avec un angle de sor-tie de 8°, décentré. Kit trolling valve disponible. Rapport 2,29:1/2,29:1 (RH/LH) et 2,71:1/2,71:1 (RH/LH).
- MS25A mécanique – inverseur avec un angle de sor-tie de 8°, décentré. Rapport 2,23:1/2,74:1 (RH/LH) et 2,74:1/2,74:1 (RH/LH).
- MS25L mécanique – inverseur avec une sortie droite, décentré. Rapport 2,27:1/2,10:1 (RH/LH) et 2,74:1/2,72:1 (RH/LH).
- Transmissions S 130S et 130SR pour installation de retournement. Rapport 2,19:1.
Accessoires :
- Systèmes de commande de moteur et de direction.
- Kits d’alternateur optionnel.
- Coupe-batteries et batteries.
- Systèmes d’eau chaude.
- Vases d’expansion individuels.
- Robinets de coque pour eau de refroidissement, crépines et flexibles.
- Systèmes d’échappement et sortie de coque.
- Systèmes d’alimentation avec filtres, conduits, etc.
- Poulies et supports universels pour prise de force (PTO).
- Systèmes d’arbre porte-hélice et hélices.
- Produits chimiques – peintures, huiles, nettoyants, etc.

Vous voulez (re)motoriser votre bateau ?
Découvrez l'ensemble de la gamme de moteurs Volvo Penta.
Consultez le Tarif Public 2023 des moteurs Volvo Penta et contactez-nous